全国服务热线021-64162222

伸缩蝶阀阀门首页 > hthcom华体会 > 蝶阀 > 伸缩蝶阀 >

产品名称:SD941X-16Q DN250电动伸缩法兰蝶阀[ 2025-08-27 ]

订购热线:021-64162222
订购传真:021-62677999
质量稳定:实行全过程质量监控,细致入微全方位检测!
价格合理:高效内部成本控制,减少了开支,让利于客户
交货快捷:先进生产流水线,充足的备货,缩短了交货期!
  • 产品介绍
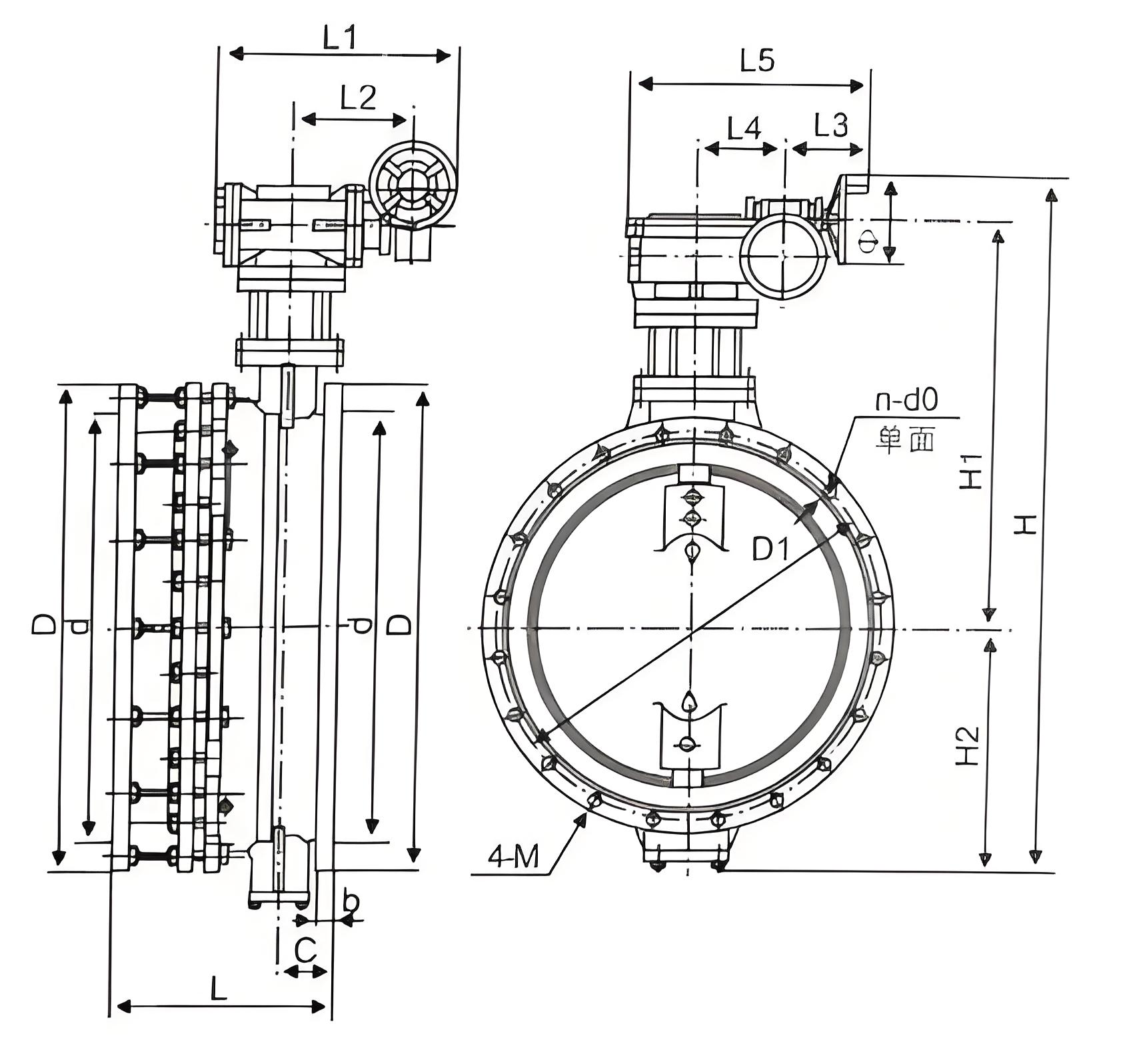
  • 规格尺寸
  • 结构图片
  • SD941X-16Q DN250电动伸缩法兰蝶阀 是一款专为高压工况设计的阀门,结合了伸缩补偿与电动控制功能,适用于煤矿、化工等需要高温高压及密封性能的场景。以下是其核心特性:
     

    产品特性

    • ‌结构‌:采用垂直板式设计,结构紧凑,重量轻,启闭灵活。 ‌
    • ‌密封形式‌:支持软/硬密封可选,密封面材质为四氟或橡胶,双向密封设计确保长期稳定性。 ‌
    • ‌连接形式‌:标准法兰连接,适配管道系统快速安装。 ‌
    • ‌防爆设计‌:符合 煤安型 标准,配备 防爆证 和 煤安证 ,适用于煤矿等危险环境。

    性能参数

    • ‌公称压力‌:1.6MPa(16公斤),适用于高压工况。 ‌
    • ‌电源支持‌:支持AC380V/660V/1140V,兼容多种工业用电环境。
    • ‌控制方式‌:智能型电动执行机构,带485通讯功能,支持远程调控。 ‌

    适用场景

    适用于煤矿、化工、电站、城市给排水等需要高温高压及频繁启闭的工业系统,尤其适合需要温度补偿或频繁调节的管道系统。

  • 电动阀
  • 蝶阀

上一篇:伸缩式电动智能蝶阀sd941x-10/16 dn600 / 下一篇:没有了

Baidu
map